企業展示
聯係我們
18903178757
- 地址:
- 河北省泊頭市(shì)富鎮開發區
- 傳真:
- 0317-8041117
- Q Q:
- 28505225
ZX型機械振打袋式除塵器
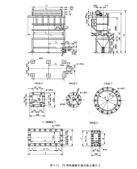
ZX型(xíng)機械振打袋式除塵器是采用中(zhōng)部機械振打方式清灰,如圖6-19所示„規格有28 條(tiáo)、42條、56條、7Q條、84條、SS條(tiáo)、112條和1別條濾袋共(gòng)S種(zhǒng)。其技術性能見表 6-30,規格見(jiàn)表6-31,尺寸見圖6-20和表6-32.



上一篇:脈衝清灰裝置設計
下一篇:袋式除塵器的設備運行阻力

