聯係我們
18903178757
- 地址:
- 河北省泊頭市富鎮開發區
- 傳真:
- 0317-8041117
- Q Q:
- 28505225
ZX型機械振打(dǎ)袋式除塵器
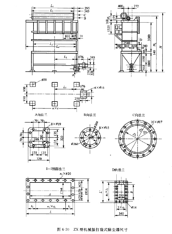
ZX型機械振打袋式除塵器簡介
ZX型機械振打袋式除塵器(qì)是采用中部機械(xiè)振打方(fāng)式清灰,如圖6-19所示„規格有28 條、42條、56條、7Q條、84條(tiáo)、SS條、112條和1別條濾袋(dài)共S種(zhǒng)。其技術性能見表 6-30,規格見表6-31,尺寸見圖6-20和表6-32.





